Ваш город:
Котлас
Ваш город Котлас?
Да Выбрать другой
Заказать звонок
Фильтр

Цилиндрический мотор-редуктор 5МП-31,5

Описание

Описание товара временно отсутствует

Характеристики

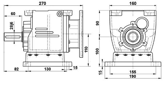
Габаритные и присоединительные размеры

Габаритные и присоединительные размеры мотор-редуктора 5МП-31,5

Варианты монтажного исполнения

Технические характеристики

Номинальная частота вращения выходного вала, об/ минФактическая частота вращения выходного вала, об/ минПередаточное числоНоминальный крутящий момент на выходном валу, Н·мСервис-факторЭлектродвигатель, кВт/ об/минКол-во ступеней
5,6 5.76 121.42 150 1,4 0.09/750 3
7,1 7.2 121.42 120 1,7 0.09/1000 3
9 9 100.13 128 1,6 0.12/1000 3
12,5 12.2 110.26 140.4 1.4 0.18/1500 3
16 15.1 89.62 158.5 1.3 0.25/1500 3
18 17 79.59 140.8 1.4 0.25/1500 3
22,4 21.2 63.78 112.8 1.8 0.25/1500 3
28 29.1 47.1 121.4 1.6 0.37/1500 3
35,5 36 25.1 144.6 1.4 0.55/1000 3
45 44 20.7 119.2 1.7 0.55/900 2
56 56 25.1 128.6 1.6 0.75/1500 2
71 69 20.7 153.4 1.3 1.1/1500 2
90 86 16.4 121.9 1.6 1.1/1500 2
112 117 7.9 121.7 1.6 1.5/1000 2
140 143 9.9 146.6 1.3 2.2/1500 2
180 181 7.9 116.3 1.7 2.2/1400 2
280 283 9.9 136.0 1.4 4.0/3000 2
365 355 7.9 81.1 2.3 3.0/3000 2

Характеристики

Похожие товары
Цилиндрический мотор-редуктор 5МП-50

Пример условного обозначения при заказе

Мотор-редуктор 5МП-50-90-5,5-G120

  • 5МП - тип мотор-редуктора
  • 50 - межосевое расстояние, мм
  • 90 - номинальная частота вращения выходного вала, об/мин
  • 5,5 - мощность электродвигателя, кВт
  • G120 - конструктивное исполнение по способу монтажа
по запросу
Подробнее
Цилиндрический мотор-редуктор 5МП-40

Пример условного обозначения при заказе

Мотор-редуктор 5МП-40-140-4-G150

  • 5МП - тип мотор-редуктора
  • 40 - межосевое расстояние, мм
  • 140 - номинальная частота вращения выходного вала, об/мин
  • 4 - мощность электродвигателя, кВт
  • G150 - конструктивное исполнение по способу монтажа
по запросу
Подробнее
Назад
Выбор города