Ваш город:
Котлас
Ваш город Котлас?
Да Выбрать другой
Заказать звонок
Фильтр

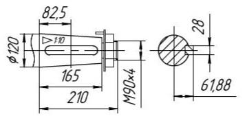
Мотор-редуктор МПЧ-320

Описание

Выходной вал «Квн»

Выходной вал «Кнар»

Выходной вал «Ц»

Назад
Выбор города