Ваш город:
Котлас
Ваш город Котлас?
Да Выбрать другой
Заказать звонок
Фильтр

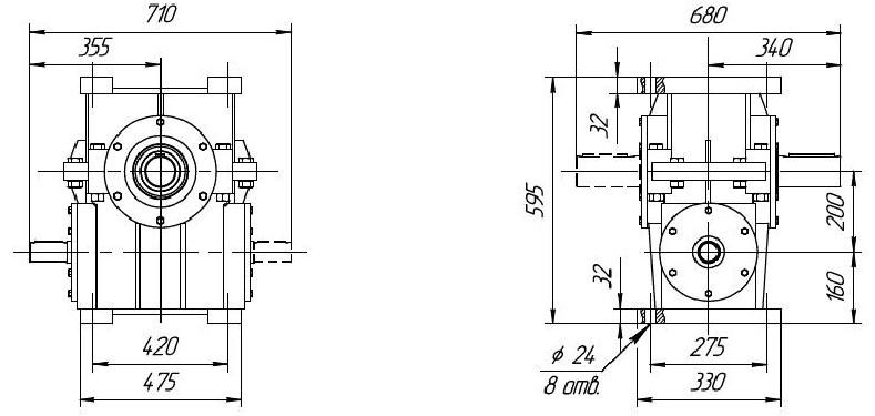
Редуктор Ч-200

Описание

 

С опорным фланцем

Входной вал «Квн»:

Входной вал «Кнар»:

Входной вал «Ц»:

 

Выходной вал «Квн»:

Выходной вал «Кнар»:

Выходной вал «Ц»:

Назад
Выбор города