Ваш город:
Котлас
Ваш город Котлас?
Да Выбрать другой
Заказать звонок
Фильтр

Редуктор 2Ц2-100Н (125Н, 160Н, 200Н, 250Н, 280Н)

Описание

Типоразмер редуктора

2Ц2-100Н

Номинальное передаточное отношение, i

6,3

8,0

10,0

12,5

16,0

20,0

25,0

31,5

40,0

Номинальный крутящий момент на тихоходном валу, Т, Нxм

475

600

630

600

560
Номинальная частота вращения быстроходного вала, с-1 (об/мин)

25 (1500)

Номинальная радиальная консольная нагрузка, приложенная в середине посадочной поверхности выходного конца вала, Н быстроходного

710

630

560

530

450

250

224

190

тихоходного

5300

6000

6300

6000

Масса, кг

43

Ориентировочный объем масла, л. 2,5

Типоразмер редуктора

2Ц2-125Н

Номинальное передаточное отношение, i

6,3

8,0

10,0

12,5

16,0

20,0

25,0

31,5

Номинальный крутящий момент на тихоходном валу, Т, Нxм 1200

1250

Номинальная частота вращения быстроходного вала, с-1 (об/мин)

25 (1500)

Номинальная радиальная консольная нагрузка, приложенная в середине посадочной поверхности выходного конца вала, Н быстроходного

1120

1000

900

800

710

670

560

530

тихоходного

8500

9000

Масса, кг

89

Ориентировочный объем масла, л. 4,9

Типоразмер редуктора

2Ц2-160Н

Номинальное передаточное отношение, i

6,3

8,0

10,0

12,5

16,0

20,0

25,0

31,5

Номинальный крутящий момент на тихоходном валу, Т, Нxм

2000

Номинальная частота вращения быстроходного вала, с-1 (об/мин)

25 (1500)

Номинальная радиальная консольная нагрузка, приложенная в середине посадочной поверхности выходного конца вала, Н быстроходного

1140

2000

1786

1600

1400

1260

1130

1000

тихоходного

11000

Масса, кг

135

Ориентировочный объем масла, л. 9,1

Типоразмер редуктора

2Ц2-200Н

Номинальное передаточное отношение, i

6,3

8,0

10,0

12,5

16,0

20,0

25,0

31,5

Номинальный крутящий момент на тихоходном валу, Т, Нxм

4500

5000

4500

3800

Номинальная частота вращения быстроходного вала, с-1 (об/мин)

25 (1500)

Номинальная радиальная консольная нагрузка, приложенная в середине посадочной поверхности выходного конца вала, Н быстроходного

3500

3100

2800

2500

2100

1000

900

тихоходного

17700

16700

15400

Масса, кг

305

Ориентировочный объем масла, л. 16,5

Типоразмер редуктора

2Ц2-250Н

Номинальное передаточное отношение, i

6,3

8,0

10,0

12,5

16,0

20,0

25,0

31,5

Номинальный крутящий момент на тихоходном валу, Т, Нxм

7000

7500

Номинальная частота вращения быстроходного вала, с-1 (об/мин)

25 (1500)

Номинальная радиальная консольная нагрузка, приложенная в середине посадочной поверхности выходного конца вала, Н быстроходного

3200

2500

2000

тихоходного

21600

Масса, кг

585

Ориентировочный объем масла, л. 27,5

Типоразмер редуктора

2Ц2-280Н

Номинальное передаточное отношение, i

6,3

8,0

10,0

12,5

16,0

20,0

25,0

31,5

Номинальный крутящий момент на тихоходном валу, Т, Нxм

9500

10000

Номинальная частота вращения быстроходного вала, с-1 (об/мин)

25 (1500)

Номинальная радиальная консольная нагрузка, приложенная в середине посадочной поверхности выходного конца вала, Н быстроходного

4750

4200

3900

3500

3100

2800

2500

2200

тихоходного

24000

25000

Масса, кг

760

Ориентировочный объем масла, л. 40,1

 

Типоразмер

i

awб

awт

А

L

L1

L2

L3

L4

L5

L6

L7

L8

2Ц2-100Н

6,3-40

80

100

135

400

335

285

78

140

185

36

82

2Ц2-125Н

6,3-31,5

100

125

165

525

425

365

100

170

235

42

105

2Ц2-160Н

6,3-31,5

125

160

195

625

528

470

220

130

200

270

58

130

2Ц2-200Н

6,3-25

160

200

240

780

660

590

265

155

250

335

82

165

31,5

230

58

2Ц2-250Н

6,3-31,5

200

250

280

940

810

740

370

210

320

375

105

165

2Ц2-280Н

6,3-25

225

280

310

1070

900

830

415

235

330

430

105

200

 

Типоразмер

i

oD

oD1

oD2

H

H1

H2

H3

H4

B

B1

B2

B3

N
отв.

2Ц2-100Н

6,3-40

18

20k6

50к6

258

112

22

22,5

54,5

205

170

6

14

4

2Ц2-125Н

6,3-31,5

18

28k6

65m6

310

132

22

31,0

71,0

255

205

8

18

4

2Ц2-160Н

6,3-31,5

18

38k6

85m6

380

180

25

41,5

93,0

280

230

10

22

6

2Ц2-200Н

6,3-25

22

48k6

100m6

440

212

30

52,5

110,0

320

270

14

28

6

31,5

36k6

39,5

136,0

10

32

2Ц2-250Н

6,3-31,5

26

60m6

125m6

565

280

45

66

136,0

400

330

18

32

6

2Ц2-280Н

6,3-25

28

65m6

140m6

600

300

50

71

152,0

430

360

18

36

6

 

 

Присоединительные элементы для струйной системы смазки редукторов

Типоразмер

Передаточное отношение Диаметр

6,3

8

10

12,5

16

20

25

31,5

под трубу коллектора, o g под патрубок для отвода масла, od

2Ц2-125Н

+

G ⅜ – B

М20×1,5

2Ц2-160Н

+

G ⅜ – B

М24×1,5

2Ц2-200Н

+

+

+

G ⅜ – B

М24×1,5

2Ц2-250Н

+

+

+

G ¾ – B

М42×2

2Ц2-280Н

+

+

G ¾ – B

М42×2

Размеры конических концов валов

Типоразмер

i

a1

a2

a3

a4

a5

oa6

oa7

a8

oa9

2Ц2-100Н

6,3-40

50

36

18,0

4

19,70

18,20

20

154

М12×1,5

2Ц2-125Н

6,3-31,5

60

42

21,0

5

27,90

25,90

28

188

М16×1,5

2Ц2-160Н

6,3-31,5

80

58

29,0

6

37,60

35,10

38

222

М24×2

2Ц2-200H

6,3-25

110

82

41,0

12

46,90

43,90

48

278

М30×2

31,5

80

58

29,0

6

35,60

33,10

36

252

М20×1,5

2Ц2-250H

6,3-31,5

140

105

52.5

16

58,75

54,75

60

355

М42×3

2Ц2-280Н

6,3-25

140

105

52.5

16

63,75

59,75

65

365

М42×3

31,5

110

82

41,0

12

48,90

45,90

50

335

М36×3

 

Типоразмер

b1

b2

b3

b4

b5

ob6

ob7

b8

ob9

2Ц2-100Н

110

82

41,0

12

48,90

45,90

50

213

М36×3

2Ц2-125Н

140

105

52.5

16

65,50

61,50

65

270

М42×3

2Ц2-160Н

170

130

65,0

20

83,00

78,50

85

310

М56×4

2Ц2-200H

170

130

65,0

22

88,50

83,50

90

345

М64×4

2Ц2-250H

210

165

82.5

28

122,75

116,75

125

420

М90×4

2Ц2-280Н

250

200

100,0

32

137,00

130,00

140

480

М100×4

 

Размеры конца тихоходного вала в виде зубчатой полумуфты

Типоразмер

f

of1

of2

of3

f4

f5

f6

m

z

2Ц2-100Н

165

72 F8

85

168

38

20

9

4

40

2Ц2-125Н

185

72 F8

85

168

38

20

9

2Ц2-160Н

225

120 F8

150

232

50

35

14

56

2Ц2-200Н

253

120 F8

150

232

50

35

14

4

56

240

110 F8

130

252

60

30

10

6

40

2Ц2-250Н

310

150 F8

180

336

65

40

15

8

2Ц2-280Н

340

160 F8

200

420

70

50

15

10

 

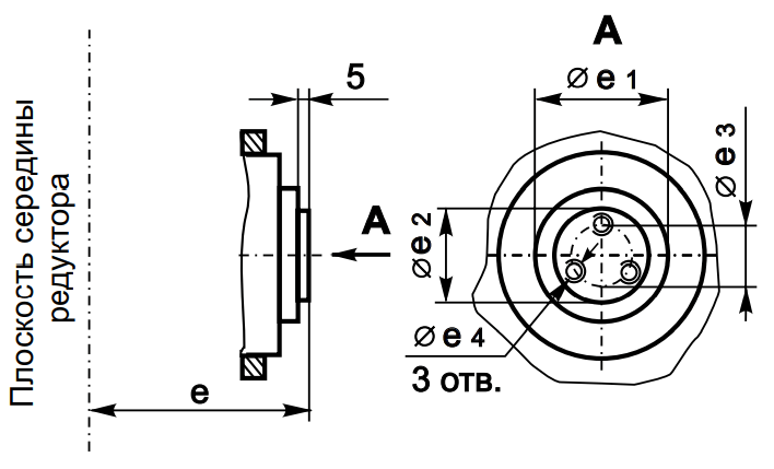
Размеры конца тихоходного вала для присоединения приборов и автоматики

Типоразмер

e

oe1

oe2

oe3

oe4

2Ц2-100Н

110

50 h10

24 h8

14

M6-7H

2Ц2-125Н

135

65 h10

24 h8

14

M6-7H

2Ц2-160Н

145

85 h10

75 h8

55

M8-7H

2Ц2-200Н

175

100 h10

75 h8

55

M8-7H

2Ц2-250Н

215

130 h10

75 h8

55

M8-7H

2Ц2-280Н

235

140 h10

75 h8

55

M8-7H

 

Размеры полого шлицевого тихоходного вала

Типоразмер

Передаточные отношения

c1

c2

c3

Вид внутренних шлицев

2Ц2-160Н

6.3; 8,0; 10,0; 12,5; 16,0; 20,0; 25,0

270

90

90

Шлицы
эвольвентные

70×2,5×9Н
ГОСТ 6033

2Ц2-200Н

6.3; 8,0; 10,0; 12,5; 16,0; 20,0; 25,0

330

80

16

Шлицы
прямобочные

в-10x102x112Н12x16D9
ГОСТ 1139

 

Размеры полного тихоходного вала со шпоночным пазом

Типоразмер

oс4

с5

с6

oс7

с8

с9

с10

с11

2Ц2-100Н

45

48,8

Назад
Выбор города