Ваш город:
Котлас
Ваш город Котлас?
Да Выбрать другой
Заказать звонок
Фильтр

Редуктор Ц3У-315НМ (355М, 400Н)

Описание

Основные технические характеристики редукторов
Наименование технических характеристик 1Ц3У-315Н 1Ц3У-355Н 1Ц3У-400Н 1Ц3Н-450 1Ц3Н-500
Передаточные числа 31,5; 40; 50; 63; 80; 100; 125; 160; 200
Допускаемая радиальнаяконсольная нагрузка, Н на быстроходном валу 1120 1400 2000 4000 5000
на тихоходном валу 31500 40000 45000 71000 100000
на т/х валу в виде зубчатой муфты 40000 50000 56000 95000 140000
Номинальный крутящий моментна тихоходном валу, Н.м 10000 14000 20000 40000 56000
КПД 0,97 0,96
Масса, кг 580 760 960 1700 2300

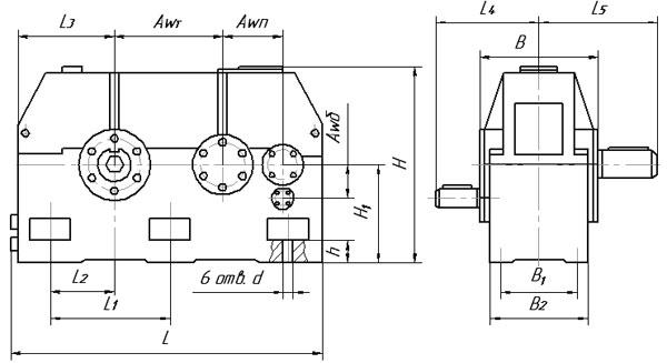
Редуктор AwT AwП Awб B B1 B2 H H1 h L L1 L2 L3 L4 L5 d
редуктор Ц3У-315Н 315 200 125 395 260 318 685 335 35 1135 415 215 360 270 420 28
редуктор Ц3У-355Н 355 225 140 435 280 360 740 375 35 1260 475 250 400 290 440 28
редуктор Ц3У-400Н 400 250 160 475 330 420 835 425 42 1415 535 280 450 340 500 35
редуктор 1Ц3Н-450 450 280 200 630 515 590 955 475 50 1580 570 310 500 430 650 35
редуктор 1Ц3Н-500 500 315 225 700 580 650 1055 530 60 1780 670 360 565 460 690 42

Быстроходный и тихоходный (цилиндрический) вал:

Редуктор Быстроходный вал Тихоходный вал
d l b t d l b t
редуктор типа 1Ц3У 315Н 30k6 80 8 33 110m6 210 28 116
редуктор типа 1Ц3У 355Н 35m6 80 10 38 125m6 210 32 132
редуктор типа 1Ц3У 400Н 40m6 110 12 43 140m6 250 36 148
редуктор типа 1Ц3Н 450 50m6 110 14 53,5 160m6 300 40 169
редуктор типа 1Ц3Н 500 55m6 110 16 59 180m6 300 45 190

Тихоходный вал в виде зубчатой полумуфты:

Редуктор b d d1 d2 d3 L l l1 Зацепление
m z
1Ц3У 315Н 30 252 130 110F8 140 275 10 60 6 40
1Ц3У 355Н 35 294 130 110F8 140 310 12,5 65 7 40
1Ц3У 400Н 40 336 180 150F8 215 335 15 65 8 40
1Ц3Н 450 50 420 200 160F8 230 440 15 70 10 40
1Ц3Н 500 50 420 200 160F8 230 470 15 70 10 40

Варианты сборки:

Условные обозначения:

1Ц3Н – 450 – 100 – 12ЦК – У3, где
1Ц3Н – тип,
450 – межосевое расстояние тихоходной ступени,
100 – передаточное число,
12 – вариант сборки,
ЦК –цилиндрический конец быстроходного вала, К – конический конец тихоходного вала,
У3 – климатическое исполнение и категория размещения.

Назад
Выбор города